Stepper Hybrid - JP7 vs JP5

Moderators: TomKerekes, dynomotion

nice_kflop
Posts: 10
Joined: Tue Aug 31, 2021 11:47 pm

Re: Stepper Hybrid - JP7 vs JP5

Post by nice_kflop » Wed Sep 08, 2021 10:01 pm

Do I have to adjust encoder into kflop or does the wiring look right
diagram.png

User avatar
TomKerekes
Posts: 2891
Joined: Mon Dec 04, 2017 1:49 am

Re: Stepper Hybrid - JP7 vs JP5

Post by TomKerekes » Thu Sep 09, 2021 12:54 am

You don’t have any encoder signals going to KFLOP. No encoder data is going to KFLOP. How do you expect KFLOP to know the encoder position? Magic? 😃

Set the input modes of your axes to “No Input”
Regards,

Tom Kerekes
Dynomotion, Inc.

nice_kflop
Posts: 10
Joined: Tue Aug 31, 2021 11:47 pm

Re: Stepper Hybrid - JP7 vs JP5

Post by nice_kflop » Thu Sep 09, 2021 2:44 am

:lol: Now that input is set to no input and output is set to CL. Does that mean the encoder is taken into account from the driver and actually being used or no use?
c0.png
c4.png

User avatar
TomKerekes
Posts: 2891
Joined: Mon Dec 04, 2017 1:49 am

Re: Stepper Hybrid - JP7 vs JP5

Post by TomKerekes » Thu Sep 09, 2021 5:05 pm

You can not set KFLOP to Closed Loop as there is no position feedback going to KFLOP. KFLOP is blind to any errors and must operate in an open loop manner. How could it correct errors if it doesn't know what the error is?

The drive is supposedly closed loop. I couldn't find any manual for it. But it appears to have an Alarm Output. You might interface that to KFLOP so that if there is an alarm KFLOP will be aware and be able to do something such as stop.
Regards,

Tom Kerekes
Dynomotion, Inc.

nice_kflop
Posts: 10
Joined: Tue Aug 31, 2021 11:47 pm

Re: Stepper Hybrid - JP7 vs JP5

Post by nice_kflop » Fri Sep 10, 2021 5:03 am

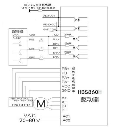
This drawing is all i found for the driver. Does this mean I use a digital ground pin for ALARM- and use a general purpose 5v tolerant like IO2 for ALARM+, then under limit switch options>>under positive>> i select bit no. 2

Drawing also shows it may need a resistor :? or maybe not!
Please correct me dunno how to do it.
hbs860h.jpg

User avatar
TomKerekes
Posts: 2891
Joined: Mon Dec 04, 2017 1:49 am

Re: Stepper Hybrid - JP7 vs JP5

Post by TomKerekes » Fri Sep 10, 2021 4:16 pm

This drawing is all i found for the driver. Does this mean I use a digital ground pin for ALARM- and use a general purpose 5v tolerant like IO2 for ALARM+
That should work.
then under limit switch options>>under positive>> i select bit no. 2
No this is an Alarm not a Limit switch. Your C Program should monitor the Input and do something such as disable all axes when it occurs.
Drawing also shows it may need a resistor :? or maybe not!
Yes you will need a pull up resistor. Even with 5V tolerant pins pulling above 3.8V should be avoided. I'd use a 470 Ohm pull up to 3.3V.

Note connecting the GND COM to KFLOP GND will likely defeat the opto isolation between KFLOP and the Drive. It would be better to connect through an Opto Isolated Input such as provided by our Konnect board or other device.
Regards,

Tom Kerekes
Dynomotion, Inc.

Post Reply