Index of /forum/archive/photos/MR-J2S

 NameLast modifiedSizeDescription

 Parent Directory   -  
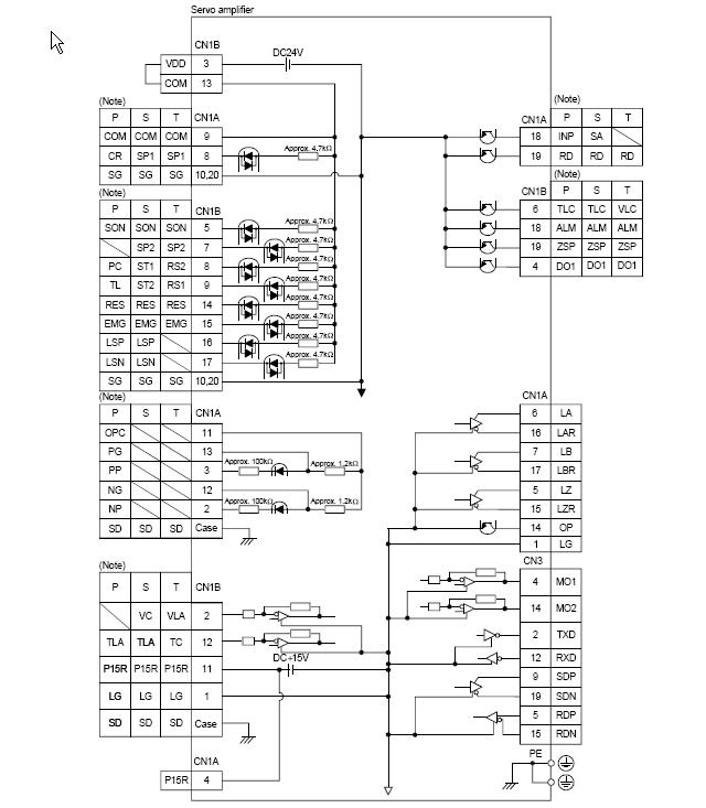
 Interconnect.JPG 2018-10-30 11:11 73K 
 interconnect2.JPG 2018-10-30 11:11 25K 
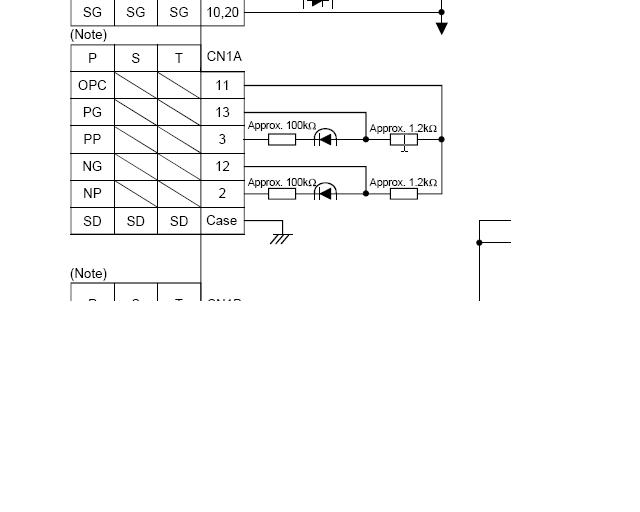
 ipsig1.JPG 2018-10-30 11:11 60K 
 ipsig2.JPG 2018-10-30 11:11 26K