Dynomotion

Group: DynoMotion Message: 12967 From: Santiago Date: 3/23/2016
Subject: Kflop graphs opinion
Hallo to all, and  thanks Tom for your support, is allways a help.
 
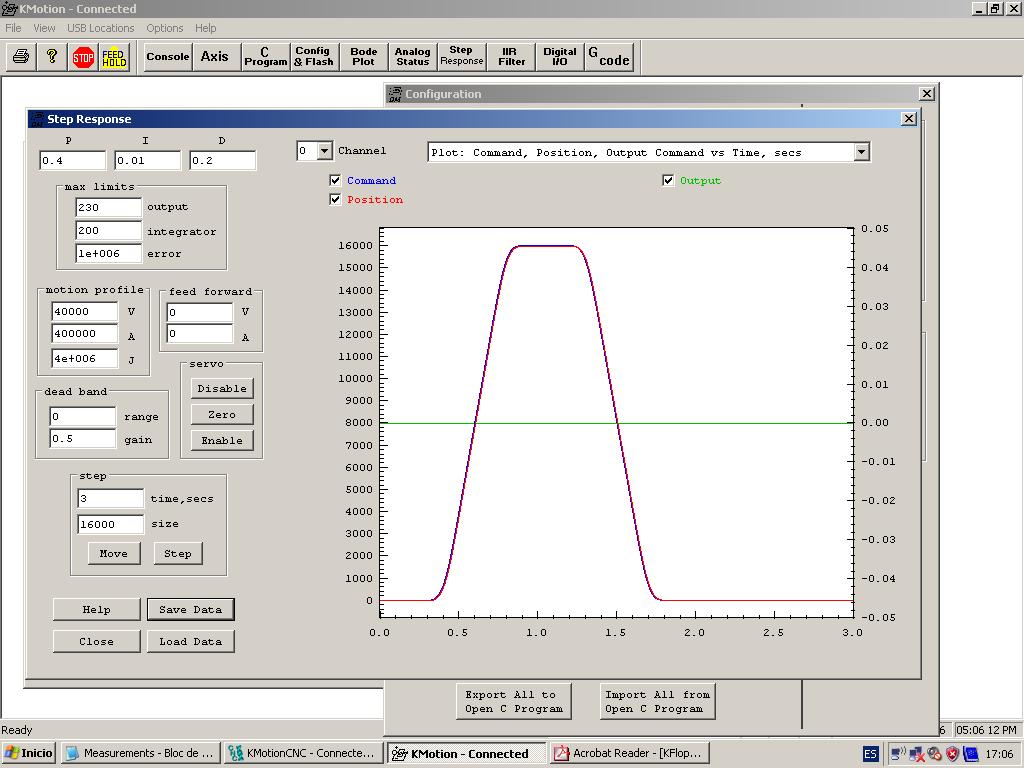
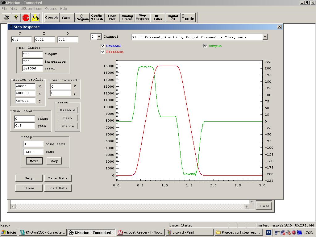
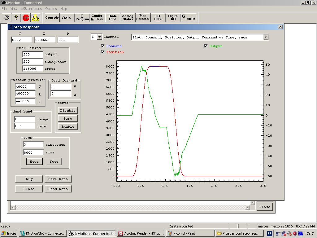
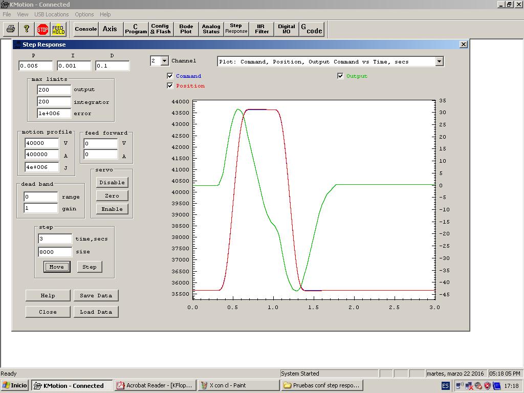
I´m making the last steps in configuration in my mill, and I put the graphs  with the Step response, but I don,t know if there are good or bad,
 
I made some test , a circle and a pentagono with 8 face is the best one .
 
With out a CL there where differences between all faces, and the test is with CL and the error is only in 1 face, all are the same but the one in the photo Machinist error have 0.2mm bigger, and the problem is the backlash.
 
the machinist of the mill is anticlock wise, so that face is when the ball screw has to came back and errors from backlash appear.
 
Some idea to solve it?
 
Another problem is that sometimes when the machine start to machining some axis disable (normaly Y and Z), so i  have to go to step response and enable it.
 
regards Santiago.

Este correo electrónico se ha enviado desde un equipo libre de virus y protegido por Avast.
www.avast.com
  @@attachment@@
Group: DynoMotion Message: 12969 From: TKSOFT Date: 3/24/2016
Subject: Re: Kflop graphs opinion [5 Attachments]
Hi Santiago,

What is the resolution of your system in steps/inch?

What kind of motor drives do you have?

It looks like when open loop there is 30-50 steps of following error.

Backlash will always be a problem. But have you tried using KFLOP's Software Backash Compensation? See:
http://dynomotion.com/Help/ConfigurationScreen/ConfigurationScreen.htm#Backlash_Settings

Regards
TK



On 2016-03-23 15:04, 'Santiago' siegc4@... [DynoMotion] wrote:
> [Attachment(s) from Santiago included below] > > Hallo to all, and thanks Tom for your support, is allways a help. > > I´m making the last steps in configuration in my mill, and I put the > graphs with the Step response, but I don,t know if there are good or > bad, > > I made some test , a circle and a pentagono with 8 face is the best > one . > > With out a CL there where differences between all faces, and the test > is with CL and the error is only in 1 face, all are the same but the > one in the photo Machinist error have 0.2mm bigger, and the problem is > the backlash. > > the machinist of the mill is anticlock wise, so that face is when the > ball screw has to came back and errors from backlash appear. > > Some idea to solve it? > > Another problem is that sometimes when the machine start to machining > some axis disable (normaly Y and Z), so i have to go to step response > and enable it. > > regards Santiago. > > Este correo electrónico se ha enviado desde un equipo libre de virus > y protegido por Avast. > www.avast.com [1] > > > > Links: > ------ > [1] > https://www.avast.com/sig-email?utm_medium=email&utm_source=link&utm_campaign=sig-email&utm_content=emailclient > [2] > https://groups.yahoo.com/neo/groups/DynoMotion/attachments/1595697546;_ylc=X3oDMTJycmliaTF0BF9TAzk3MzU5NzE0BGdycElkAzE1ODU4MDAxBGdycHNwSWQDMTcwNjU1NDIwNQRzZWMDYXR0YWNobWVudARzbGsDdmlld09uV2ViBHN0aW1lAzE0NTg3NzA3MTg- > [3] > https://groups.yahoo.com/neo/groups/DynoMotion/attachments/1595697546;_ylc=X3oDMTJuNmc5MmlrBF9TAzk3MzU5NzE0BGdycElkAzE1ODU4MDAxBGdycHNwSWQDMTcwNjU1NDIwNQRzZWMDYXR0YWNobWVudARzbGsDcGhvdG8Ec3RpbWUDMTQ1ODc3MDcxOA--?itemid=1255053580 > [4] > https://groups.yahoo.com/neo/groups/DynoMotion/attachments/1595697546;_ylc=X3oDMTJuNmc5MmlrBF9TAzk3MzU5NzE0BGdycElkAzE1ODU4MDAxBGdycHNwSWQDMTcwNjU1NDIwNQRzZWMDYXR0YWNobWVudARzbGsDcGhvdG8Ec3RpbWUDMTQ1ODc3MDcxOA--?itemid=971953395 > [5] > https://groups.yahoo.com/neo/groups/DynoMotion/attachments/1595697546;_ylc=X3oDMTJuNmc5MmlrBF9TAzk3MzU5NzE0BGdycElkAzE1ODU4MDAxBGdycHNwSWQDMTcwNjU1NDIwNQRzZWMDYXR0YWNobWVudARzbGsDcGhvdG8Ec3RpbWUDMTQ1ODc3MDcxOA--?itemid=1661780450 > [6] > https://groups.yahoo.com/neo/groups/DynoMotion/attachments/1595697546;_ylc=X3oDMTJuNmc5MmlrBF9TAzk3MzU5NzE0BGdycElkAzE1ODU4MDAxBGdycHNwSWQDMTcwNjU1NDIwNQRzZWMDYXR0YWNobWVudARzbGsDcGhvdG8Ec3RpbWUDMTQ1ODc3MDcxOA--?itemid=1716633187 > [7] > https://groups.yahoo.com/neo/groups/DynoMotion/attachments/1595697546;_ylc=X3oDMTJuNmc5MmlrBF9TAzk3MzU5NzE0BGdycElkAzE1ODU4MDAxBGdycHNwSWQDMTcwNjU1NDIwNQRzZWMDYXR0YWNobWVudARzbGsDcGhvdG8Ec3RpbWUDMTQ1ODc3MDcxOA--?itemid=412019104 > [8] > https://groups.yahoo.com/neo/groups/DynoMotion/conversations/messages/12967;_ylc=X3oDMTJydG5mMm5xBF9TAzk3MzU5NzE0BGdycElkAzE1ODU4MDAxBGdycHNwSWQDMTcwNjU1NDIwNQRtc2dJZAMxMjk2NwRzZWMDZnRyBHNsawNycGx5BHN0aW1lAzE0NTg3NzA3MTg-?act=reply&messageNum=12967 > [9] > https://groups.yahoo.com/neo/groups/DynoMotion/conversations/newtopic;_ylc=X3oDMTJmbm9kYTJvBF9TAzk3MzU5NzE0BGdycElkAzE1ODU4MDAxBGdycHNwSWQDMTcwNjU1NDIwNQRzZWMDZnRyBHNsawNudHBjBHN0aW1lAzE0NTg3NzA3MTg- > [10] > https://groups.yahoo.com/neo/groups/DynoMotion/conversations/topics/12967;_ylc=X3oDMTM3OXRjMnV0BF9TAzk3MzU5NzE0BGdycElkAzE1ODU4MDAxBGdycHNwSWQDMTcwNjU1NDIwNQRtc2dJZAMxMjk2NwRzZWMDZnRyBHNsawN2dHBjBHN0aW1lAzE0NTg3NzA3MTgEdHBjSWQDMTI5Njc- > [11] > https://groups.yahoo.com/neo/groups/DynoMotion/photos/photomatic/222653765;_ylc=X3oDMTE4M3R1OW82BF9TAzk3MzU5NzE0BGNmOQNQSE9UT01BVElDBHNlYwNtZWdhcGhvbmU- > [12] https://yho.com/13fl5l > [13] > https://groups.yahoo.com/neo/groups/DynoMotion/info;_ylc=X3oDMTJmbTRqMjIyBF9TAzk3MzU5NzE0BGdycElkAzE1ODU4MDAxBGdycHNwSWQDMTcwNjU1NDIwNQRzZWMDdnRsBHNsawN2Z2hwBHN0aW1lAzE0NTg3NzA3MTg- > [14] > https://groups.yahoo.com/neo/groups/DynoMotion/members/all;_ylc=X3oDMTJnbzJvMzJwBF9TAzk3MzU5NzE0BGdycElkAzE1ODU4MDAxBGdycHNwSWQDMTcwNjU1NDIwNQRzZWMDdnRsBHNsawN2bWJycwRzdGltZQMxNDU4NzcwNzE4 > [15] > https://groups.yahoo.com/neo;_ylc=X3oDMTJlbTNodXA2BF9TAzk3NDc2NTkwBGdycElkAzE1ODU4MDAxBGdycHNwSWQDMTcwNjU1NDIwNQRzZWMDZnRyBHNsawNnZnAEc3RpbWUDMTQ1ODc3MDcxOQ-- > [16] https://info.yahoo.com/privacy/us/yahoo/groups/details.html > [17] https://info.yahoo.com/legal/us/yahoo/utos/terms/
Group: DynoMotion Message: 12991 From: Santiago Date: 3/26/2016
Subject: Re: Kflop graphs opinion [5 Attachments]
Hy TK, for your response,
 
the resolution of the  scale is 0.005mm and the system is 5mm pich ball screw/3200 u steps per turn, so is 640steps per mm and in inch is 16256 per inch.
 
The motor drives I use is a kinko 2M880N, with a Nema 34 ,8Nm stepper motor. for X and Y. In Z I use a Leadshine Em806
 
I try to use the software you mention , but is not clear in the documentation on how to do it? or I don´t know how to do it.
 
Imagine, I move  X + 10mm (0.39 inch ),then I make a “0” in the Kmotion DRO, and then I move X +300mm(11.81 inch), then I move X – 300mm (11.81 inch) in the kmotion will appear 0, but like  I have a digital scale and I have an external DRO I measure , for example 299.8mm, I will have a backslash of 0.2mm ,
 
  How do I make the adjustment in the backslash?
 
  If I make Close Loop. I suppose all this errors like backslash will be corrected by the software.  Or not?
 
Regards Santiago

Este correo electrónico se ha enviado desde un equipo libre de virus y protegido por Avast.
www.avast.com
Group: DynoMotion Message: 12995 From: Tom Kerekes Date: 3/27/2016
Subject: Re: Kflop graphs opinion
Hi Santiago,

See the Article in our wiki to see if it becomes clear:
http://www.dynomotion.com/wiki/index.php?title=Backlash_Compensation

Closed Loop using linear scales should work better than open loop backlash compensation.  However there can still be problems.  Again I like to use the example of a car pulling a sled connected by a 1 foot long chain.  With Closed loop feedback we now know the exact position of the sled, but still can't hold it rigidly at any particular position.  If somehow the sled gets pushed to make the chain slack, we need to move the car 2 feet to take out the slack and nudge it back, which may take time and be too late.

HTH
Regards
TK

On 3/26/2016 12:52 PM, 'Santiago' siegc4@... [DynoMotion] wrote:
 

Hy TK, for your response,
 
the resolution of the  scale is 0.005mm and the system is 5mm pich ball screw/3200 u steps per turn, so is 640steps per mm and in inch is 16256 per inch.
 
The motor drives I use is a kinko 2M880N, with a Nema 34 ,8Nm stepper motor. for X and Y. In Z I use a Leadshine Em806
 
I try to use the software you mention , but is not clear in the documentation on how to do it? or I don´t know how to do it.
 
Imagine, I move  X + 10mm (0.39 inch ),then I make a “0” in the Kmotion DRO, and then I move X +300mm(11.81 inch), then I move X – 300mm (11.81 inch) in the kmotion will appear 0, but like  I have a digital scale and I have an external DRO I measure , for example 299.8mm, I will have a backslash of 0.2mm ,
 
  How do I make the adjustment in the backslash?
 
  If I make Close Loop. I suppose all this errors like backslash will be corrected by the software.  Or not?
 
Regards Santiago

Este correo electrónico se ha enviado desde un equipo libre de virus y protegido por Avast.
www.avast.com
Group: DynoMotion Message: 13004 From: Santiago Date: 3/28/2016
Subject: Re: Kflop graphs opinion
Hallo, thanks for the wiki example, is a perfect example,
 
regards TK

Este correo electrónico se ha enviado desde un equipo libre de virus y protegido por Avast.
www.avast.com