Dynomotion

Group: DynoMotion Message: 13376 From: cnc_machines Date: 6/20/2016
Subject: Encoder Input - Panel Cleanup

Greetings,


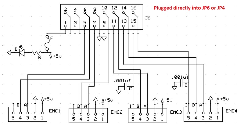
I am attempting to cleanup very busy electrical control panels. I am running the KStep closed loop. My idea is to run all of my encoders directly into the Kflop board through either JP4 or JP6 using a PC board with 4 encoder plugs on it. That way I simply plug in my encoders rather than routing the rats nest of wires everywhere.


This is my first attempted PC board design. I am hoping for some suggestions, and have some questions:


  1. Would it be worth while to add series resistors on the A, B, and I channels? I seem to be running my encoders without a problem. Would it be safer to add some 150 ohm resistors?
  2. I am adding the 0.001 uf capacitor on the index channels to help filter noise. Would this be beneficial on all of the channels?
  3. All my current encoders are going into the Kflop JP5 ethernet jack - Do you think JP6 pr JP4 will cause issues?
  4. Any suggestions??
Thanks!

Scott



  @@attachment@@
Group: DynoMotion Message: 13377 From: Tom Kerekes Date: 6/20/2016
Subject: Re: Encoder Input - Panel Cleanup [1 Attachment]

Hi Scott,

KFLOP JP4 and JP6 are 3.3V inputs with 150ohm pull down termination resistors on the first 8 inputs.  JP5 doesn't have pull down resistors instead it has 47 ohm series resistors.  So you should look into what type of encoders you have and what the output capability is.  It takes about 16ma of source current to pull a 150ohm resistor to a high level.  Some TTL outputs can only source 0.4 ma.  The output should also not drive hard above 3.8V as this could damage KFLOP (this is usually not  a problem).

150ohm series resistors would be too high of resistance and would cut the voltage level in half when used with the 150 Termination resistors.

Filter capacitors might be a good idea especially for single ended signals.  You can always just not populate them or make them very small.  It takes 4ma to charge a 0.001uF cap to 4V in 1us.  So 0.001uf might be a bit high for high frequency (1Meg counts/sec) encoder signals.

You might add bypass capacitors for the +5V going out to the encoders.  0.1uF Ceramic and 10uF Tantalum usually work well.

Dynomotion would like to offer a similar board at some point but we would probably want to offer differential encoder inputs.

HTH
Regards
TK

On 6/20/2016 4:04 PM, cnc_machines@... [DynoMotion] wrote:
 

Greetings,


I am attempting to cleanup very busy electrical control panels. I am running the KStep closed loop. My idea is to run all of my encoders directly into the Kflop board through either JP4 or JP6 using a PC board with 4 encoder plugs on it. That way I simply plug in my encoders rather than routing the rats nest of wires everywhere.


This is my first attempted PC board design. I am hoping for some suggestions, and have some questions:


  1. Would it be worth while to add series resistors on the A, B, and I channels? I seem to be running my encoders without a problem. Would it be safer to add some 150 ohm resistors?
  2. I am adding the 0.001 uf capacitor on the index channels to help filter noise. Would this be beneficial on all of the channels?
  3. All my current encoders are going into the Kflop JP5 ethernet jack - Do you think JP6 pr JP4 will cause issues?
  4. Any suggestions??
Thanks!

Scott




Group: DynoMotion Message: 13378 From: Hardy Family Date: 6/20/2016
Subject: Re: Encoder Input - Panel Cleanup
A few parts that we use for our kflop interface board:

74LVTH541 - used to interface to the kflop inputs that only accept 3.3V, and have 150 ohm pull-downs.  Allows use of 5V inputs with low loading.

74HCT541 - used to interface kflop 3.3V outputs to 5V (CMOS) devices.

AM26LS32ACD - encoder interface.  Even if you are using single-ended, you can put some jumpers on the inverting inputs to pull them to about 2.5V.  We have our jumpers set to pull the unused (inverting) input up to 5V via 200k resistors.  If in doubt, see the datasheet.  Another advantage of this chip is that you get reasonable electrostatic protection, since they are designed for RS485 etc.  It's nice to be able to hot-plug things.

Speaking of ESD, we protect all kflop pins that connect to the "outside world" with a 10k resistor (for inputs) followed by as ESD clamp of the type used to protect USB circuits.  Outputs are protected because they are driving an external open collector transistor.  If you have direct output drive, then the USB protectors will help.

We designed our board to use DSUB-15 connectors for the encoders, since we use Fanuc linear encoders.

Rather than putting filter caps on the encoders, we use differential.  Even with single-ended, having a nice 2.5V threshold eliminates a reasonable amount of noise.

For mounting the kflop on the PCB, we have had success mounting it upside down, using special "tall" female headers and stand-offs sufficient to lift it up enough so that the USB connector does not mash into the PCB.  The RJ45 jack is a pain, but we deal with that by using a very short "home made" ethernet patch cable to route it to a jack on the PCB.  Ugly and expensive but it works.

Regards,
SJH


On Mon, Jun 20, 2016 at 4:30 PM, Tom Kerekes tk@... [DynoMotion] <DynoMotion@yahoogroups.com> wrote:
 

Hi Scott,

KFLOP JP4 and JP6 are 3.3V inputs with 150ohm pull down termination resistors on the first 8 inputs.  JP5 doesn't have pull down resistors instead it has 47 ohm series resistors.  So you should look into what type of encoders you have and what the output capability is.  It takes about 16ma of source current to pull a 150ohm resistor to a high level.  Some TTL outputs can only source 0.4 ma.  The output should also not drive hard above 3.8V as this could damage KFLOP (this is usually not  a problem).

150ohm series resistors would be too high of resistance and would cut the voltage level in half when used with the 150 Termination resistors.

Filter capacitors might be a good idea especially for single ended signals.  You can always just not populate them or make them very small.  It takes 4ma to charge a 0.001uF cap to 4V in 1us.  So 0.001uf might be a bit high for high frequency (1Meg counts/sec) encoder signals.

You might add bypass capacitors for the +5V going out to the encoders.  0.1uF Ceramic and 10uF Tantalum usually work well.

Dynomotion would like to offer a similar board at some point but we would probably want to offer differential encoder inputs.

HTH
Regards
TK

On 6/20/2016 4:04 PM, cnc_machines@... [DynoMotion] wrote:
 

Greetings,


I am attempting to cleanup very busy electrical control panels. I am running the KStep closed loop. My idea is to run all of my encoders directly into the Kflop board through either JP4 or JP6 using a PC board with 4 encoder plugs on it. That way I simply plug in my encoders rather than routing the rats nest of wires everywhere.


This is my first attempted PC board design. I am hoping for some suggestions, and have some questions:


  1. Would it be worth while to add series resistors on the A, B, and I channels? I seem to be running my encoders without a problem. Would it be safer to add some 150 ohm resistors?
  2. I am adding the 0.001 uf capacitor on the index channels to help filter noise. Would this be beneficial on all of the channels?
  3. All my current encoders are going into the Kflop JP5 ethernet jack - Do you think JP6 pr JP4 will cause issues?
  4. Any suggestions??
Thanks!

Scott